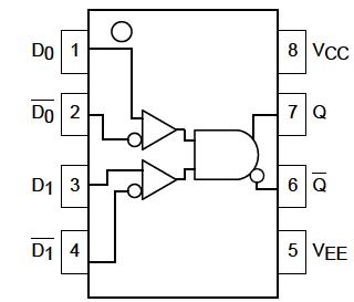
Features: • 340ps Propagation Delay• High Bandwidth Output Transitions• 75kW Internal Input Pulldown Resistors• >2000V ESD ProtectionPinoutDescriptionThe MC100LVEL05 is a 2-input differential AND/NAND gate. The MC100LVEL05 is functionally equivalent to the MC100EL05 devi...
MC100LVEL05: Features: • 340ps Propagation Delay• High Bandwidth Output Transitions• 75kW Internal Input Pulldown Resistors• >2000V ESD ProtectionPinoutDescriptionThe MC100LVEL05 is a ...
SeekIC Buyer Protection PLUS - newly updated for 2013!
268 Transactions
All payment methods are secure and covered by SeekIC Buyer Protection PLUS.
US $4.26 - 6.3 / Piece
Counter Shift Registers 5V ECL 8-Bit Binary Up Synchronous

The MC100LVEL05 is a 2-input differential AND/NAND gate. The MC100LVEL05 is functionally equivalent to the MC100EL05 device and operates from a 3.3V supply voltage. With propagation delays and output transition times equivalent to the EL05, the LVEL05 is ideally suited for those applications which require the ultimate in AC performance at low voltage power supplies.
Because a negative 2-input NAND is equivalent to a 2-input OR function, the differential inputs and outputs of the MC100LVEL05 allows the LVEL05 to also be used as a 2-input differential OR/NOR gate.