Features: • 50ps Output-to-Output Skew• Synchronous Enable/Disable• Multiplexed Clock Input• 75k Internal Input Pulldown Resistors• >2000V ESD Protection• VEE Range of 3.0V to 5.5VPinoutSpecifications Symbol Parameter Rating Units VEE Po...
MC100LVEL14: Features: • 50ps Output-to-Output Skew• Synchronous Enable/Disable• Multiplexed Clock Input• 75k Internal Input Pulldown Resistors• >2000V ESD Protection• VEE ...
SeekIC Buyer Protection PLUS - newly updated for 2013!
268 Transactions
All payment methods are secure and covered by SeekIC Buyer Protection PLUS.
US $4.26 - 6.3 / Piece
Counter Shift Registers 5V ECL 8-Bit Binary Up Synchronous

|
Symbol |
Parameter |
Rating |
Units |
|
VEE |
Power Supply (VCC = 0V) |
8.0 to 0 |
VDC |
|
VI |
Input Voltage (VCC = 0V) |
0 to 6.0 |
VDC |
|
Iout |
Output Current Continuous Surge |
50 100 |
mA |
|
TA |
Operating Temperature Range |
40 to +85 |
|
|
VEE |
Operating Range1,2 |
5.7 to 4.2 |
V |
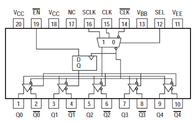
The MC100LVEL/100EL14 is a low skew 1:5 clock distribution chip designed explicitly for low skew clock distribution applications. The MC100LVEL/100EL14 can be driven by either a differential or single-ended ECL or, if positive power supplies are used, PECL input signal. The LVEL14 is functionally and pin compatible with the EL14 but is designed to operate
in ECL or PECL mode for a voltage supply range of 3.0V to 3.8V ( or 3.0V to 3.8V). If a single-ended input of MC100LVEL/100EL14 is to be used the VBB output shouldbe connected to the CLK input and bypassed to ground via a 0.01mF capacitor. The VBB output is designed to act as the switching reference for the input of the LVEL14 under single-ended input conditions, as a result this pin can only source/sink up to 0.5mA of current.
The MC100LVEL/100EL14 features a multiplexed clock input to allow for the distribution of a lower speed scan or test clock along with the high speed system clock. When LOW (or left open and pulled LOW by the input pulldown resistor) the SEL pin of MC100LVEL/100EL14 will select the differential clock input.
The common enable (EN ) is synchronous so that the outputs will only be enabled/disabled when they are already in the LOW state. MC100LVEL/100EL14 avoids any chance of generating a runt clock pulse when the MC100LVEL/100EL14 is enabled/disabled as can happen with an asynchronous control. The internal flip flop is clocked on the falling edge of the input clock, therefore all associated specification limits are referenced to the negative edge of the clock input.