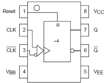
Features: • 630ps Propagation Delay• 4.0GHz Toggle Frequency• High Bandwidth Output Transitions• Operates from 3.3V (or 3.3V) Supply• 75kW Internal Input Pulldown Resistors• >2000V ESD ProtectionPinoutDescriptionThe MC100LVEL33 is an integrated ÷4 divider. Th...
MC100LVEL33: Features: • 630ps Propagation Delay• 4.0GHz Toggle Frequency• High Bandwidth Output Transitions• Operates from 3.3V (or 3.3V) Supply• 75kW Internal Input Pulldown Resis...
SeekIC Buyer Protection PLUS - newly updated for 2013!
268 Transactions
All payment methods are secure and covered by SeekIC Buyer Protection PLUS.
US $4.26 - 6.3 / Piece
Counter Shift Registers 5V ECL 8-Bit Binary Up Synchronous

The MC100LVEL33 is an integrated ÷4 divider. The differential clock inputs and the VBB allow a differential, single-ended or AC coupled interface to the device. If MC100LVEL33 is used, the VBB output should be bypassed to ground with a 0.01mF capacitor. Also note that the VBB is designed to be sed as an input bias on the EL33 only, the VBB output has limited current ink and source capability. The LVEL is functionally equivalent to the L33 and works from a low voltage supply.
The reset pin of MC100LVEL33 is asynchronous and is asserted on the rising edge. pon power-up, the internal flip-flops will attain a random state; the reset llows for the synchronization of multiple LVEL33's in a system.