Features: • Transmitter Operates in Two Modes: On/Off Pulsing for Remote Control FSK Modulation at 1.4 MHz for Data Communications• Over 70 dB of RSSI Range• Split IF for Improved Filtering and Extended RSSI Range• Digitally controlled Via a Six Line Interface Bus• In...
MC13173: Features: • Transmitter Operates in Two Modes: On/Off Pulsing for Remote Control FSK Modulation at 1.4 MHz for Data Communications• Over 70 dB of RSSI Range• Split IF for Improved ...
SeekIC Buyer Protection PLUS - newly updated for 2013!
268 Transactions
All payment methods are secure and covered by SeekIC Buyer Protection PLUS.

| Rating | Pin | Symbol | Value | Unit |
| Power Supply Voltage | 16, 26 | VCC VEE | 6.5 | Vdc |
| Junction Temperature | TJ | +150 | °C | |
| Storage Temperature Range | Tstg | 55 to +150 | °C |
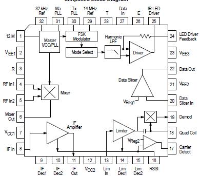
The MC13173 is a low power infrared integrated system (IRIS). It is a unique blend of a split IF wideband FM receiver and a specialized infrared LED transmitter. MC13173 was designed to provide communications between portable computers via a half duplex infrared link at data rates up to 200 kbps.
The MC13173 includes a mixer, IF amplifier and limiter and data slicer. The IF amplifier is split to accommodate two low cost cascaded filters. The RSSI output of MC13173 is derived by summing the output of both IF sections. The transmitter section includes a frequency synthesizer, FSK modulator, harmonic low pass filter and an IR LED driver.