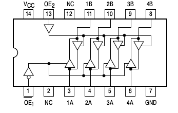
Features: • 2-Way Asynchronous Data Bus Communication• Input Clamp Diodes Limit High-Speed Termination Effects• ESD > 4000 VoltsPinoutDescriptionThe MC54/74F242 and MC54/74F243 are Quad Bus Transmitters/Receivers designed for 4-line asynchronous 2-way data communication betwee...
MC74F243: Features: • 2-Way Asynchronous Data Bus Communication• Input Clamp Diodes Limit High-Speed Termination Effects• ESD > 4000 VoltsPinoutDescriptionThe MC54/74F242 and MC54/74F243 ...
SeekIC Buyer Protection PLUS - newly updated for 2013!
268 Transactions
All payment methods are secure and covered by SeekIC Buyer Protection PLUS.
Features: Operating range: 38 to 47 Gb/s (min.) (note)Signal regeneration with full-rate clock sig...

The MC54/74F242 and MC54/74F243 are Quad Bus Transmitters/Receivers designed for 4-line asynchronous 2-way data communication between data buses.