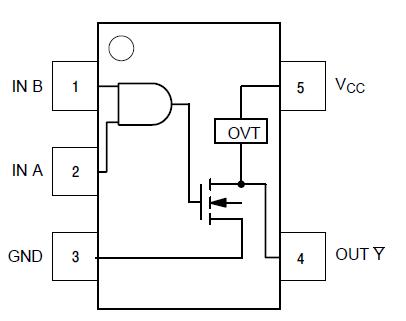
Features: • High Speed: tPD = 3.7 ns (Typ) at VCC = 5.0 V• Low Internal Power Dissipation: ICC = 1 A (Max) at TA = 25°C• Power Down Protection Provided on Inputs• Pin and Function Compatible with Other Standard Logic Families• Chip Complexity: FETs = 62• Pbͨ...
MC74VHC1G01: Features: • High Speed: tPD = 3.7 ns (Typ) at VCC = 5.0 V• Low Internal Power Dissipation: ICC = 1 A (Max) at TA = 25°C• Power Down Protection Provided on Inputs• Pin and Fun...
SeekIC Buyer Protection PLUS - newly updated for 2013!
268 Transactions
All payment methods are secure and covered by SeekIC Buyer Protection PLUS.
Features: Operating range: 38 to 47 Gb/s (min.) (note)Signal regeneration with full-rate clock sig...

| Symbol | Parameter | Value | Unit |
| VCC | DC Supply Voltage | 0.5 to + 7.0 | V |
| VIN | DC Input Voltage | 0.5 to + 7.0 | V |
| VOUT | DC Output Voltage | 0.5 to VCC +0.5 | V |
| IIK | Input Diode Current | -20 | mA |
| IOK | Output Diode Current VOUT < GND;VOUT > VCC | ± 20 | mA |
| IOUT | DC Output Current, per Pin | 25 | mA |
| ICC | DC Supply Current, VCC and GND | ± 25 | mA |
| Tstg | Storage temperature | 65 to +150 | °C |
| TL | Lead Temperature, 1 mm from Case for 10 s | 260 | °C |
| TJ | Junction Temperature Under Bias | + 150 | °C |
| JA | Thermal Resistance SC70−5/SC−88A (Note 1) TSOP−5 |
350 230 |
°C/W |
| PD | Power Dissipation in Still Air at 85°C SC70−5/SC−88A TSOP−5 |
150 200 |
mW |
| MSL |
Moisture Sensitivity | Level 1 | |
| FR | Flammability Rating Oxygen Index: 28 to 34 | UL 94 V0 @ 0.125 in | |
| VESD | ESD Withstand Voltage Human Body Model (Note 2) Machine Model (Note 3) Charged Device Model (Note 4) |
>2000 > 200 N/A |
V |
| ILATCHUP | LatchUp Performance Above VCC and Below GND at 125°C (Note 5) | ± 500 | mA |