Features: 4.4MHz Minimum Data Input Rate High-Voltage, Current Sink OutputsOutput Transient ProtectionCMOS, PMOS, NMOS, and TTL Compatible InputsInternal Pull-Down Resistors Low-Power CMOS LatchesPinoutSpecificationsat +25°C Free-Air TemperatureOutput Voltage, VCE 50VSupply Voltage, VDD 15VInput...
MIC5801: Features: 4.4MHz Minimum Data Input Rate High-Voltage, Current Sink OutputsOutput Transient ProtectionCMOS, PMOS, NMOS, and TTL Compatible InputsInternal Pull-Down Resistors Low-Power CMOS LatchesPi...
SeekIC Buyer Protection PLUS - newly updated for 2013!
268 Transactions
All payment methods are secure and covered by SeekIC Buyer Protection PLUS.
4.4MHz Minimum Data Input Rate
High-Voltage, Current Sink Outputs
Output Transient Protection
CMOS, PMOS, NMOS, and TTL Compatible Inputs
Internal Pull-Down Resistors
Low-Power CMOS Latches

at +25°C Free-Air Temperature
Output Voltage, VCE 50V
Supply Voltage, VDD 15V
Input Voltage Range, VIN 0.3V to VDD + 0.3V
Continuous Collector Current, IC 500mA
Package Power Dissipation:
MIC5800 Plastic DIP (Note 1) 2.1W
MIC5801 Plastic DIP (Note 2) 2.5W
MIC5800 SOIC (Note 3) 1.0W
MIC5801 PLCC (Note 4) 2.25W
MIC5801 CERDIP (Note 5) 3.1W
Operating Temperature Range, TA 40 to +85
Storage Temperature Range, TS 65 to +125
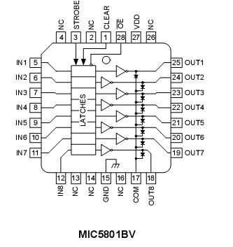
The MIC5800/5801 latched drivers are high-voltage, high- current integrated circuits comprised of four or eight CMOS data latches, a bipolar Darlington transistor driver for each
latch, and CMOS control circuitry for the common CLEAR, STROBE, and OUTPUT ENABLEfunctions.
The bipolar/MOS combination provides an extremely low-power latch with maximum interface flexibility. MIC5800 contains four latched drivers; MIC5801 contains eight latched drivers.
Data input rates of MIC5801 are greatly improved in these devices. With a 5V supply, they will typically operate at better than 5MHz. With a 12V supply, significantly higher speeds are obtained.The CMOS inputs are compatible with standard CMOS, PMOS, and NMOS circuits. TTL or DTL circuits may require the use of appropriate pull-up resistors. The bipolar outputs of MIC5801 are suitable for use with relays, solenoids, stepping motors, LED or incandescent displays, and other high-power loads.Both units have open-collector outputs and integral diodes for inductive load transient suppression. The output transistors of MIC5801 are capable of sinking 500mA and will sustain at least 50V in the OFF state. Because of limitations on package power dissipation, the simultaneous operation of all drivers at maximum rated current can only be accomplished by a reduction in duty cycle. Outputs may be paralleled for higher load current capability.