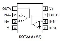
Features: • SOT23-8 packaging• 450kHz gain-bandwidth product• 800kHz, 3dB bandwidth• 4.2A supply current/channel• Rail-to-rail output• Ground sensing at input (common mode to GND)• Drives large capactive loads (0.02F)• Unity gain stableApplication...
MIC863: Features: • SOT23-8 packaging• 450kHz gain-bandwidth product• 800kHz, 3dB bandwidth• 4.2A supply current/channel• Rail-to-rail output• Ground sensing at input (co...
SeekIC Buyer Protection PLUS - newly updated for 2013!
268 Transactions
All payment methods are secure and covered by SeekIC Buyer Protection PLUS.

With low supply voltage and SOT23-8 packaging, MIC863 provides two channels as general-purpose amplifiers for portable and battery-powered applications.MIC863 package provides the maximum performance available while maintaining an extremely slim form factor. The minimal power consumption of this IC maximizes the battery life potential.