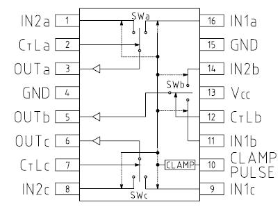
Features: ·Pedestal clamp input·Low current consumption 12mA typ.(VCC5V)·Frequency response 10MHz typ. 0dB·Operating power supply voltage 4.5~12VApplication· TV· VCR· Other video equipmentPinoutSpecifications Item Symbol Ratings Units Storage temperature TSTG -40~+125 ...
MM1389: Features: ·Pedestal clamp input·Low current consumption 12mA typ.(VCC5V)·Frequency response 10MHz typ. 0dB·Operating power supply voltage 4.5~12VApplication· TV· VCR· Other video equipmentPinoutSpec...
SeekIC Buyer Protection PLUS - newly updated for 2013!
268 Transactions
All payment methods are secure and covered by SeekIC Buyer Protection PLUS.

|
Item |
Symbol |
Ratings |
Units |
|
Storage temperature |
TSTG |
-40~+125 |
°C |
|
Operating temperature |
TOPR |
-25~+75 |
°C |
|
Power supply voltage |
VCCmax. |
15 |
V |
|
Allowable loss |
Pd |
350 |
mW |