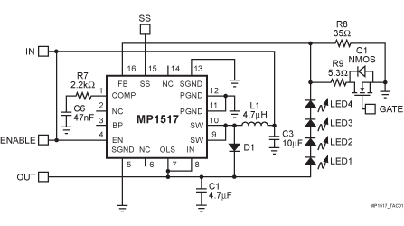
PinoutDescriptionThe MP1517 is a 3A, fixed frequency step-up converter ideal for medium-to-high current stepup, flyback and SEPIC applications. The high 1.1MHz switching frequency allows for smaller external components producing a compact solution for size constrained cameras, PDAs and cell phones...
MP1517: PinoutDescriptionThe MP1517 is a 3A, fixed frequency step-up converter ideal for medium-to-high current stepup, flyback and SEPIC applications. The high 1.1MHz switching frequency allows for smaller...
SeekIC Buyer Protection PLUS - newly updated for 2013!
268 Transactions
All payment methods are secure and covered by SeekIC Buyer Protection PLUS.
