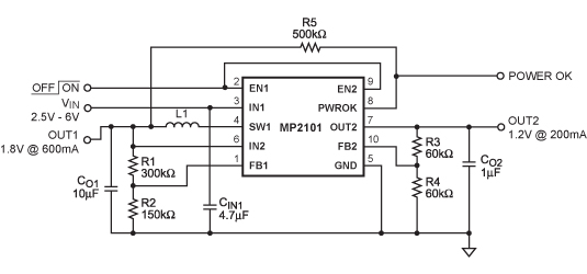
PinoutDescriptionThe MP2101 is an internally compensated 1.6MHz fixed-frequency PWM step-down switcher with a 200mA low dropout (LDO) linear regulator. It is ideal for portable equipment powered by a single cell Lithium-Ion (Li+) Battery. The MP2101 can provide 800mA and 200mA of load current from...
MP2101: PinoutDescriptionThe MP2101 is an internally compensated 1.6MHz fixed-frequency PWM step-down switcher with a 200mA low dropout (LDO) linear regulator. It is ideal for portable equipment powered by ...
SeekIC Buyer Protection PLUS - newly updated for 2013!
268 Transactions
All payment methods are secure and covered by SeekIC Buyer Protection PLUS.
US $.98 - 1.24 / Piece
Switching Converters, Regulators & Controllers 0.8A Sync Buck & .2A LDO w/POK
US $.84 - .86 / Piece
Switching Converters, Regulators & Controllers 0.8A Sync Buck & .2A LDO w/POK
