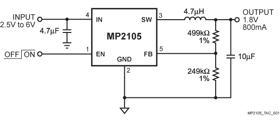
PinoutDescriptionThe MP2105 is a 1MHz constant frequency, current mode, PWM step-down converter. The device integrates a main switch and a synchronous rectifier for high efficiency without an external Schottky diode. It is ideal for powering portable equipment that runs from a single cell Lithium-...
MP2105: PinoutDescriptionThe MP2105 is a 1MHz constant frequency, current mode, PWM step-down converter. The device integrates a main switch and a synchronous rectifier for high efficiency without an extern...
SeekIC Buyer Protection PLUS - newly updated for 2013!
268 Transactions
All payment methods are secure and covered by SeekIC Buyer Protection PLUS.
