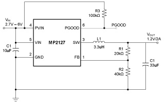
PinoutDescriptionThe MP2127 is a fully integrated, internally compensated 1.2MHz fixed frequency PWM step-down converter. It is ideal for powering portable equipment that runs from a single cell Lithium-Ion (Li+) Battery, with an input range from 2.7V to 6V. The MP2127 can provide up to 2A of load...
MP2127: PinoutDescriptionThe MP2127 is a fully integrated, internally compensated 1.2MHz fixed frequency PWM step-down converter. It is ideal for powering portable equipment that runs from a single cell Lit...
SeekIC Buyer Protection PLUS - newly updated for 2013!
268 Transactions
All payment methods are secure and covered by SeekIC Buyer Protection PLUS.
