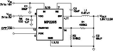
PinoutDescriptionThe MP2205 is an internally compensated 1.3MHz fixed frequency PWM synchronous step-down regulator with a 3V to 6V bias supply (VCC). MP2205 operates from a 3V to 16V input and generates an adjustable output voltage from 0.8V to 0.9xVIN at up to 2.5A load current. The MP2205 integ...
MP2205: PinoutDescriptionThe MP2205 is an internally compensated 1.3MHz fixed frequency PWM synchronous step-down regulator with a 3V to 6V bias supply (VCC). MP2205 operates from a 3V to 16V input and gene...
SeekIC Buyer Protection PLUS - newly updated for 2013!
268 Transactions
All payment methods are secure and covered by SeekIC Buyer Protection PLUS.
