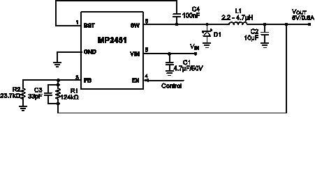
PinoutDescriptionThe MP2451 is a high frequency (2MHz) step-down switching regulator with integrated internal high-side high voltage power MOSFET. MP2451 provides single 0.6A (or less) highly efficient output with current mode control for fast loop response. The wide 3.3V to 36V input range accomm...
MP2451: PinoutDescriptionThe MP2451 is a high frequency (2MHz) step-down switching regulator with integrated internal high-side high voltage power MOSFET. MP2451 provides single 0.6A (or less) highly effici...
SeekIC Buyer Protection PLUS - newly updated for 2013!
268 Transactions
All payment methods are secure and covered by SeekIC Buyer Protection PLUS.
