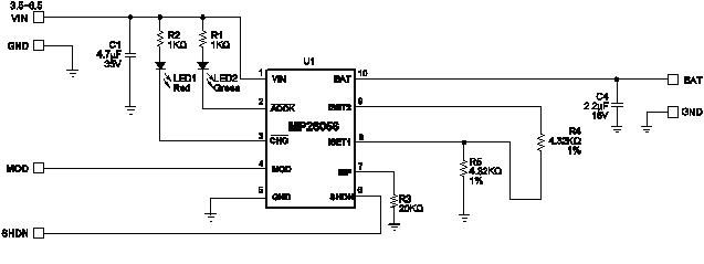
PinoutDescriptionThe MP26056 is a linear, high performance single cell Li-Ion or Li-Polymer battery charger with dual programmable constant current set. By integrating high voltage input protection into the charger IC,it can tolerate an input surge up to 28V. The device features constant current (...
MP26056: PinoutDescriptionThe MP26056 is a linear, high performance single cell Li-Ion or Li-Polymer battery charger with dual programmable constant current set. By integrating high voltage input protection ...
SeekIC Buyer Protection PLUS - newly updated for 2013!
268 Transactions
All payment methods are secure and covered by SeekIC Buyer Protection PLUS.
