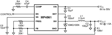
PinoutDescriptionThe MP4561 is a high frequency step-down switching regulator with integrated internal high-side high voltage power MOSFET. It provides 1.5A output with current mode control for fast loop response and easy compensation. The wide 4.5V to 55V input range accommodates a variety of ste...
MP4561: PinoutDescriptionThe MP4561 is a high frequency step-down switching regulator with integrated internal high-side high voltage power MOSFET. It provides 1.5A output with current mode control for fast...
SeekIC Buyer Protection PLUS - newly updated for 2013!
268 Transactions
All payment methods are secure and covered by SeekIC Buyer Protection PLUS.
US $103.46 - 121.72 / Piece
Linear and Switching Power Supplies 450W 33V 24V/12V Modular Power
