PinoutSpecifications Ratings Symbol Limit Unit Supply Voltage VD1, VD2, VD3 9 Vdc Supply Current IDtotal 2 Vdc Power Control Voltage VCNTRL 4.8 Vdc RF Input Power Pin 6 dBm Ambient Operating Temperature TA 40 to +85 °C ...
MRFIC0914: PinoutSpecifications Ratings Symbol Limit Unit Supply Voltage VD1, VD2, VD3 9 Vdc Supply Current IDtotal 2 Vdc Power Control Voltage VCNTRL 4.8 ...
SeekIC Buyer Protection PLUS - newly updated for 2013!
268 Transactions
All payment methods are secure and covered by SeekIC Buyer Protection PLUS.

| Ratings |
Symbol |
Limit |
Unit |
| Supply Voltage |
VD1, VD2, VD3 |
9 |
Vdc |
|
Supply Current |
IDtotal |
2 |
Vdc |
|
Power Control Voltage |
VCNTRL |
4.8 |
Vdc |
| RF Input Power |
Pin |
6 |
dBm |
| Ambient Operating Temperature |
TA |
40 to +85 |
°C |
| Storage Temperature |
Tstg |
65 to +150 |
°C |
| Thermal Resistance, Junction to Case |
JC |
26 |
°C/W |
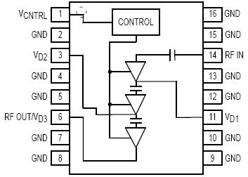
This MRFIC0914 integrated circuit is intended for twoway paging applications and for other Industrial, Scientific and Medical (ISM) at 900 MHz band applications.The three stage design is implemented in Motorola's low cost, high performance
MRFIC0914 LDMOS process and housed in a lowcost surface mount SOIC package. Input and output matching is implemented offchip for maximum flexibility while interstage matching is onchip. A power control pin is included allowing 60 dB dynamic range.