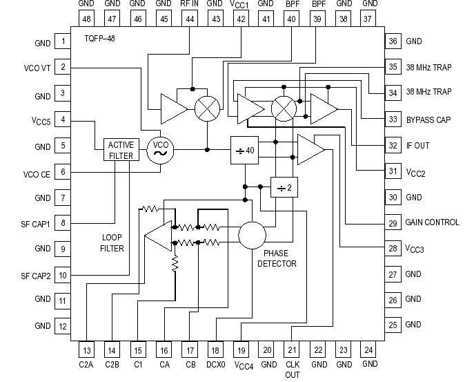
ApplicationDesign PhilosophyThe MRFIC1502 design is a standard dual downconversion configuration with an integrated fixed frequency phase locked loop to generate the two local oscillators and the buffer to generate the sampling clock for a digital correlator and decimator. The active device for th...
MRFIC1502: ApplicationDesign PhilosophyThe MRFIC1502 design is a standard dual downconversion configuration with an integrated fixed frequency phase locked loop to generate the two local oscillators and the bu...
SeekIC Buyer Protection PLUS - newly updated for 2013!
268 Transactions
All payment methods are secure and covered by SeekIC Buyer Protection PLUS.

This MRFIC1502 integrated circuit is intended for GPS receiver applications. The dual conversion design is implemented in Motorola's lowcost high performance MOSAIC 3 silicon bipolar process and is packaged in a lowcost surface mount TQFP48 package. In addition to the mixers, a VCO, a PLL and a loop filter are integrated onchip. Output IF is nominally 9.5 MHz.
MRFIC1502 features
• 65 dB Minimum Conversion Gain
• 5 Volts Operation
• 50 mA Typical Current Consumption
• LowCost, Low Profile Plastic TQFP Package
• Device Marking = M1502