MRFIC1505

PinoutSpecifications Parameter Symbol Limit Units DC Supply Voltage VDD 5.0 Vdc DC Supply Current IDD 60 dBm Storage Temperature Range Tstg 65 to+150 °C Operating Ambient Temperature TC 30 to +85 °C Lead Soldering Tempe...

product image

MRFIC1505 Picture
SeekIC No. : 004427129 Detail

MRFIC1505: PinoutSpecifications Parameter Symbol Limit Units DC Supply Voltage VDD 5.0 Vdc DC Supply Current IDD 60 dBm Storage Temperature Range Tstg 65...

floor Price/Ceiling Price

Part Number:
MRFIC1505
Supply Ability:
5000

Price Break

  • Qty
  • 1~5000
  • Unit Price
  • Negotiable
  • Processing time
  • 15 Days
Total Cost: $ 0.00

SeekIC Buyer Protection PLUS - newly updated for 2013!

  • Escrow Protection.
  • Guaranteed refunds.
  • Secure payments.
  • Learn more >>

Month Sales

268 Transactions

Rating

evaluate  (4.8 stars)

Upload time: 2026/1/27

Payment Methods

All payment methods are secure and covered by SeekIC Buyer Protection PLUS.

Notice: When you place an order, your payment is made to SeekIC and not to your seller. SeekIC only pays the seller after confirming you have received your order. We will also never share your payment details with your seller.
Product Details

Description



Pinout

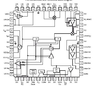
  Connection Diagram


Specifications

Parameter
Symbol
Limit
Units
DC Supply Voltage
VDD
5.0
Vdc
DC Supply Current
IDD
60
dBm
Storage Temperature Range
Tstg
65 to+150
°C
Operating Ambient Temperature
TC
30 to +85
°C
Lead Soldering Temperature Range
-
260
°C



Customers Who Bought This Item Also Bought

Margin,quality,low-cost products with low minimum orders. Secure your online payments with SeekIC Buyer Protection.
Resistors
Connectors, Interconnects
Tapes, Adhesives
803
Semiconductor Modules
Static Control, ESD, Clean Room Products
View more