PinoutSpecifications Parameter Symbol Limit Units Supply Voltage VDD 10 Vdc RF Input Power PRF 8 dBm ENABLE Voltage ENABLE 30 Vdc VDD Current Sourcing (With Supply Connected to Pin 7) IPIN2 VDD +1, VSS 1 mA Storage Temper...
MRFIC1801: PinoutSpecifications Parameter Symbol Limit Units Supply Voltage VDD 10 Vdc RF Input Power PRF 8 dBm ENABLE Voltage ENABLE 30 Vdc VDD C...
SeekIC Buyer Protection PLUS - newly updated for 2013!
268 Transactions
All payment methods are secure and covered by SeekIC Buyer Protection PLUS.

|
Parameter |
Symbol |
Limit |
Units |
|
Supply Voltage |
VDD |
10 |
Vdc |
|
RF Input Power |
PRF |
8 |
dBm |
|
ENABLE Voltage |
ENABLE |
30 |
Vdc |
|
VDD Current Sourcing (With Supply Connected to Pin 7) |
IPIN2 |
VDD +1, VSS 1 |
mA |
|
Storage Temperature Range |
Tstg |
65 to +150 |
°C |
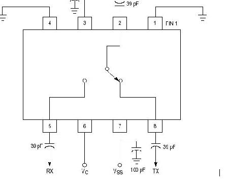
MRFIC1801 Designed primarily for use in DECT, Japan's Personal Handy System (PHS), and other wireless Personal Communication Systems (PCS) applications at GHz, but also applicable to Industrial, Scientific and Medical (ISM) applications at 2.5 GHz. The MRFIC1803 is a complete active upmixer, exciter amplifier, LO buffer amplifier in a low-cost SOIC-16 package. The low power consumption design includes a single balanced active mixer, CMOS compatible receive transmit enable inputs, a buffer/exciter amplifier, and a buffered LO output capable of driving the MRFIC1804 downconverter. IF, LO and RF ports matched to 50 W and no off-chip baluns are required. With both TX and enable pins low, the device is in standby mode and draws less than 0.3 mA. Together with the rest of the MRFIC180X series, this GaAs IC family offers the complete transmit and receive functions, less LO and filters, needed for typical 1.8 GHz cordless telephone.