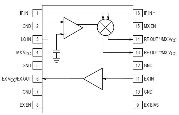
Features: • High Linearity IP30 = 23 dBm (Typ)• Low LO Drive Required = 15 dBm (Typ)• Externally Adjustable Exciter Bias Current• Power Down Supply Current = 2.0 A (Typ)• SO-16 Narrow Body Plastic Package• Order MRFIC2101R2 for Tape and Reel. R2 suffix = 2,500 U...
MRFIC2101: Features: • High Linearity IP30 = 23 dBm (Typ)• Low LO Drive Required = 15 dBm (Typ)• Externally Adjustable Exciter Bias Current• Power Down Supply Current = 2.0 A (Typ)̶...
SeekIC Buyer Protection PLUS - newly updated for 2013!
268 Transactions
All payment methods are secure and covered by SeekIC Buyer Protection PLUS.

| Ratings | Symbol | Value | Unit |
| Supply Voltage | EX VCC , MX VCC , EX BIAS | 5 | Vdc |
| Enable Voltages | MX EN, EX EN | 6 | Vdc |
| Input Power, LO and IF Ports | PLO, PIF | +10 | dBm |
| Operating Ambient Temperature | TA | 35 to + 85 | °C |
| Storage Temperature | Tstg | 65 to +150 | °C |
| RF Output Power (EX VCC < 4 V) | Pout | 18 | dBm |
| RF Output Power (4 V< EX VCC 3 5 V) | Pout | 38 5 EX VCC | dBm |