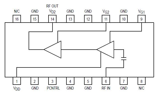
Features: • High Output Power = +23.5 dBm Typical• High Gain = 23 dB Typical• Excellent Efficiency = 55% Typical• Power Control = 20 dB Range• LowCost, Low Profile Plastic SOIC Package• Available in Tape and Reel by Adding R2 Suffix to Part Number. R2 Suffix = 2...
MRFIC2403: Features: • High Output Power = +23.5 dBm Typical• High Gain = 23 dB Typical• Excellent Efficiency = 55% Typical• Power Control = 20 dB Range• LowCost, Low Profile Plas...
SeekIC Buyer Protection PLUS - newly updated for 2013!
268 Transactions
All payment methods are secure and covered by SeekIC Buyer Protection PLUS.

| Parameter | Symbol | Value | Unit |
| Supply Voltage | VDD | 6.0 | Vdc |
| Power Control Voltage | VCONTRL | 6.0 | Vdc |
| Gate Bias Voltage | VG1, VG2 | 4.0 | Vdc |
| RF Input Power | RF IN | +10 | dBm |
| Ambient Operating Temperature | TA | 30 to +85 | °C |
| Storage Temperature | Tstg | 65 to +125 | °C |