Features: ` Maximum Input Clock Frequency 6 GHz Typical` Maximum Input Data Rate Frequency 6 Gb/s Typical` Low 12 mA Typical Power Supply Current` 70 ps Typical Rise/Fall Times` 130 ps Input Propagation Delay` On-Chip Reference for ECL Single?Ended Input -VBB Output` PECL Mode Operating Range: VCC...
NB6L16: Features: ` Maximum Input Clock Frequency 6 GHz Typical` Maximum Input Data Rate Frequency 6 Gb/s Typical` Low 12 mA Typical Power Supply Current` 70 ps Typical Rise/Fall Times` 130 ps Input Propaga...
SeekIC Buyer Protection PLUS - newly updated for 2013!
268 Transactions
All payment methods are secure and covered by SeekIC Buyer Protection PLUS.

|
Symbol |
Parameter |
Condition 1 |
Condition 2 |
Rating |
Units |
|
VCC |
Positive Power Supply | VEE = 0 V |
3.6 |
V | |
|
VEE |
Negative Power Supply | VCC = 0 V |
-3.6 |
V | |
|
VI |
Positive Input Voltage Negative Input Voltage |
VEE = 0 V VCC = 0 V |
VI VCC VI VEE |
3.6 -3.6 |
V V |
|
VINPP |
Differential Input Voltage |D − D| | VCC − VEE 2.8 V VCC − VEE < 2.8 V |
2.8 |VCC − VEE| |
V | |
|
Iout |
Output Current | Continuous Surge |
25 50 |
mA mA | |
|
IBB |
VBB Sink/Source |
±0.5 |
mA | ||
|
TA |
Operating Temperature Range |
−40 to +85 |
|||
|
Tstg |
Storage Temperature Range |
−65 to +150 |
|||
|
JA |
Thermal Resistance (Junction−to−Ambient) | 0 lfpm 500 lfpm |
SOIC−8 SOIC−8 |
190 130 |
/W /W |
|
JC |
Thermal Resistance (Junction−to−Case) | Standard Board |
SOIC−8 |
41 to 44 |
/W |
|
JA |
Thermal Resistance (Junction−to−Ambient) | 0 lfpm 500 lfpm |
TSSOP−8 |
185 140 |
/W /W |
|
JC |
Thermal Resistance (Junction−to−Case) | Standard Board |
TSSOP−8 |
41 to 44 |
/W |
|
Tsol |
Wave Solder Standar Pb-Free |
3 sec @ 248C 3 sec @ 260C |
265 265 |
|
Maximum ratings are those values beyond which device damage can occur. Maximum ratings applied to the device are individual stress limit values (not normal operating conditions) and are not valid simultaneously. If these limits are exceeded, device unctional operation is not implied, damage may occur and reliability may be affected.
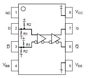
The NB6L16 is a high precision, low power ECL differential clock or data receiver/driver/translator buffer. The NB6L16 is functionally equivalent to the EL16, EP16, LVEL16 and NBSG16 devices. With output transition times of 70 ps, NB6L16 is ideally suited for high frequency, low power systems. The device is targeted for Backplane buffering, GbE clock/data distribution, Fibre Channel distribution and SONET clock/data distribution applications.Input accept LVNECL (Negative ECL), LVPECL (Positive ECL), LVTTL, LVCMOS, CML, or LVDS. Outputs are 800 mV ECL signals.The VBB pin, an internally generated voltage supply, is available to this device only. For single?ended input conditions, the unused differential input is connected to VBB as a switching reference voltage.VBBmay also rebias AC coupled inputs. When used, decouple VBBand VCC via a 0.01 mF capacitor and limit current sourcing or sinking to 0.5 mA.When not used, VBB should be left open.