Features: ·ow voltage operation 2.5V min.·Pin at 0.2dB compression point 36dBm typ. @f=1.9GHz, VCTL=2.8V·Low insertion loss 0.60dB typ. @f=0.9GHz, PIN=31dBm, VCTL=2.8V0.70dB typ. @f=1.9GHz, PIN=25dBm, VCTL=2.8V·High isolation 26.5dB typ. @f=0.9GHz, PIN=31dBm, VCTL=2.8V20dB typ. @f=1.9GHz, PIN=25dB...
NJG1528KC1: Features: ·ow voltage operation 2.5V min.·Pin at 0.2dB compression point 36dBm typ. @f=1.9GHz, VCTL=2.8V·Low insertion loss 0.60dB typ. @f=0.9GHz, PIN=31dBm, VCTL=2.8V0.70dB typ. @f=1.9GHz, PIN=25dB...
SeekIC Buyer Protection PLUS - newly updated for 2013!
268 Transactions
All payment methods are secure and covered by SeekIC Buyer Protection PLUS.

|
PARAMETER |
SYMBOL |
CONDITIONS |
RATINGS |
UNITS |
| Input Power |
Pin |
VCTL(L)=0V, VCTL(H)=3.0V |
37.5 |
dBm |
| Control Voltage |
VCTL |
VCTL(H)-VCTL(L) |
12 |
V |
| Power Dissipation |
PD |
550 |
mW | |
| Operating Temp. |
Topr |
-40~+85 |
°C | |
| Storage Temp. |
Tstg |
-55~+125 |
°C |
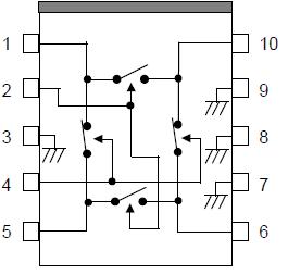
NJG1528KC1 is a GaAs high power DPDT switch MMIC for antenna switch of tri- and dual-mode cellular phone application such as CDMA, AMPS and PCS.This switch features low loss, high isolation at high power.
The ultra small & ultra thin FLP10 package is applied.