Features: • Tiny SOT−353 and SOT−553 Packages• Extremely High Speed: tPD 2.5 ns (typical) at VCC = 5 V• Designed for 1.65 V to 5.5 V VCC Operation, CMOS Compatible• Over Voltage Tolerant Inputs VIN may be Between 0 and 7.0 V for VCC Between 0.5 and 5.4 V• ...
NL17SZ07: Features: • Tiny SOT−353 and SOT−553 Packages• Extremely High Speed: tPD 2.5 ns (typical) at VCC = 5 V• Designed for 1.65 V to 5.5 V VCC Operation, CMOS Compatible̶...
SeekIC Buyer Protection PLUS - newly updated for 2013!
268 Transactions
All payment methods are secure and covered by SeekIC Buyer Protection PLUS.

| Symbol | Parameter | Value | Unit |
| VCC | DC Supply Voltage | −0.5 to + 7.0 | V |
| VI | DC Input Voltage | −0.5 VI +7.0 | V |
| VO | DC Output Voltage Output in Higher or Low State (Note 1) | −0.5 VO +7.0 | V |
| IIK | DC Input Diode Current VI < GND | −50 | mA |
| IOK | DC Output Diode Current VO = GND VO = VCC |
−50 |
mA |
| IOU | DC Output Sink Current | ±50 | mA |
| ICC | DC Supply Current per Supply Pin | ±100 | mA |
| IGND | DC Ground Current per Ground Pin | ±100 | mA |
| TSTG | Storage Temperature Range | −65 to +150 | °C |
| PD | Power Dissipation in Still Air SOT-353 SOT-553 |
186 135 |
°C |
| JA | Thermal Resistance SOT- 353 SOT- 553 |
350 496 |
°C/W |
| TL | Lead Temperature, 1 mm from Case for 10 Seconds | 260 | °C |
| TJ | Junction Temperature Under Bias | +150 | °C |
| ILatch−Up | Latch−Up Performance Above VCC and Below GND at 85°C (Note 5) | +500 | |
| MSL | Moisture Sensitivity | Level 1 | |
| FR | Flammability Rating Oxygen Index: 28 to 34 | UL 94 V−0 @ 0.125 in | |
| VESD | ESD Classification Human Body Model (Note 3) Machine Model (Note 4) Charged Device Model (Note 5) |
Class IC Class A N/A |
V |
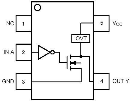
The NL17SZ07 is a high performance single inverter with open drain outputs operating from a 1.65 to 5.5 V supply.
The Output stage is open drain with Over Voltage Tolerance. This allows the NL17SZ07 to be used to interface 5.0 V circuits to circuits of any voltage between 0 and +7.0 V.