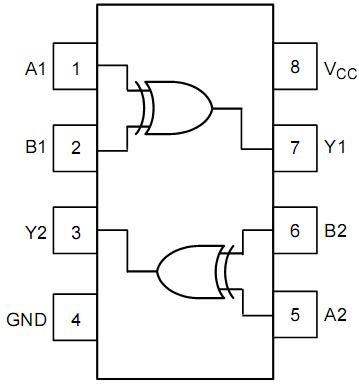
Features: ·Extremely High Speed: tPD 2.4 ns (typical) at VCC = 5.0 V·Designed for 1.65 V to 5.5 V VCC Operation·Over Voltage Tolerant Inputs and Outputs·LVTTL Compatible Interface Capability With 5.0 V TTL Logic with VCC= 3.0 V·LVCMOS Compatible·24 mA Balanced Output Sink and Source Capability·Nea...
NL27WZ86: Features: ·Extremely High Speed: tPD 2.4 ns (typical) at VCC = 5.0 V·Designed for 1.65 V to 5.5 V VCC Operation·Over Voltage Tolerant Inputs and Outputs·LVTTL Compatible Interface Capability With 5....
SeekIC Buyer Protection PLUS - newly updated for 2013!
268 Transactions
All payment methods are secure and covered by SeekIC Buyer Protection PLUS.

| Symbol | Parameter | Value | Unit |
| VCC | DC Supply Voltage | -0.5 to +7.0 | V |
| VI | DC Input Voltage | -0.5 to +7.0 | V |
| VO | DC Output Voltage Output in Higher or Low State (Note 1) | -0.5 to +7.0 | V |
| IIK | DC Input Diode Current VI < GND | −50 | mA |
| IOK | DC Output Diode Current VO = GND VO = VCC |
−50 |
mA |
| IOU | DC Output Sink Current | ±50 | mA |
| ICC | DC Supply Current per Supply Pin | ±50 | mA |
| IGND | DC Ground Current per Ground Pin | ±50 | mA |
| TSTG | Storage Temperature Range | −65 to +150 | °C |
| TL | Lead Temperature, 1 mm from Case for 10 Seconds | 260 | °C |
| TJ | Junction Temperature Under Bias | +150 | °C |
| JA | Thermal Resistance SOT- 353 (Note 1) SOT- 553 |
250 | °C/W |
| PD | Power Dissipation in Still Air at 85°C | 250 | mW |
| MSL | Moisture Sensitivity | Level 1 | |
| FR | Flammability Rating Oxygen Index: 28 to 34 | UL 94 V−0 @ 0.125 in | |
| ESD | ESD Classification Human Body Model (Note 4) Machine Model (Note 5) Charge Device Model (Note 6) |
>2000 >200 N/A |
V |
Maximum Ratings are those values beyond which damage to the device may occur. Exposure to these conditions or conditions beyond those indicated may adversely affect device reliability. Functional operation under absolute maximum?rated conditions is not implied. Functional operation should be restricted to the Recommended Operating Conditions.
1.Measured with minimum pad spacing on an FR4 board, using 10 mm?by1 inch, 2 ounce copper trace with no air flow.
2.Tested to EIA/JESD22-A114?A.
3.Tested to EIA/JESD22-A115?A.
4.Tested to JESD22?C101-A.