Features: • Channel Select Input OverVoltage Tolerant to 5.5 V• Fast Switching and Propagation Speeds• BreakBeforeMake Circuitry• Low Power Dissipation: ICC = 2 A (Max) at TA = 25°C• Diode Protection Provided on Channel Select Input• Improved Linearity and Lower...
NLAS4599: Features: • Channel Select Input OverVoltage Tolerant to 5.5 V• Fast Switching and Propagation Speeds• BreakBeforeMake Circuitry• Low Power Dissipation: ICC = 2 A (Max) at TA...
SeekIC Buyer Protection PLUS - newly updated for 2013!
268 Transactions
All payment methods are secure and covered by SeekIC Buyer Protection PLUS.
US $.2 - .23 / Piece
Multiplexer Switch ICs 2:1 Mux/Demux Switch -55 to 125deg C

| Symbol | Parameter | Value | Unit |
| VCC | Positive DC Supply Voltage | -0.5 to +7.0 | V |
| VIS | Analog Input Voltage (VNO or VCOM) | -0.5 VISVCC +0.5 | V |
| VIN | Digital Select Input Voltage | -0.5 VI + 7.0 | V |
| IIK | DC Current, Into or Out of Any Pin | ±50 | mA |
| PD | Power Dissipation in Still Air SC88 TSOP6 |
200 200 |
mA |
| TSTG | Storage Temperature Range | -65 to +150 | °C |
| TL | Lead Temperature, 1 mm from Case for 10 Seconds | 260 | °C |
| TJ | Junction Temperature Under Bias | 150 | °C |
| VESD | ESD Withstand Voltage Human Body Model (Note 1) Machine Model (Note 2) Charged Device Model (Note 3) |
2000 200 N/A |
V |
| ILatchUp | LatchUp Performance Above VCC and Below GND at 85C (Note 5) | ±300 | mA |
| JA | Thermal Resistance SC88 TSOP6 |
333 333 |
°C/W |
Maximum Ratings are those values beyond which damage to the device may occur. Exposure to these conditions or conditions beyond those indicated may adversely affect device reliability. Functional operation under absolute maximumrated conditions is not implied. Functional operation should be restricted to the Recommended Operating Conditions.
1. Maximum Ratings are those values beyond which damage to the device may occur. Functional operation should be restricted to the Recommended Operating Conditions.
2. Tested to EIA/JESD22A114A
3. Tested to EIA/JESD22A115A
4. Tested to JESD22C101A
5. Tested to EIA/JESD78
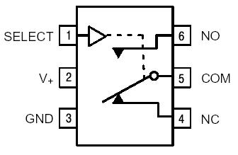
The NLAS4599 is an advanced high speed CMOS single pole double throw analog switch fabricated with silicon gate CMOS technology. NLAS4599 achieves high speed propagation delays and low ON resistances while maintaining low power dissipation. This switch controls analog and digital voltages that may vary across the full powersupply range (from VCC to GND).
NLAS4599 has been designed so the ON resistance (RON) is much lower and more linear over input voltage than RON of typical CMOS analog switches.
The channel select input is compatible with standard CMOS outputs. The channel select input structure of NLAS4599 provides protection when voltages between 0 V and 5.5 V are applied, regardless of the supply voltage. This input structure of NLAS4599 helps prevent device destruction caused by supply voltage input/output voltage mismatch, battery backup, hot insertion, etc.