Features: • 75 Ω characteristic impedance• Integrated 75 Ω 0.25 watt terminations• CTB performance of 85 dBc• High isolation 60 dB at 1 GHz• Low insertion loss: typically 0.5 dB at 5 MHz, 1.1 dB at 1 GHz• High input IP3: 50 dBm• CMOS two-pin co...
PE4280: Features: • 75 Ω characteristic impedance• Integrated 75 Ω 0.25 watt terminations• CTB performance of 85 dBc• High isolation 60 dB at 1 GHz• Low insertion l...
SeekIC Buyer Protection PLUS - newly updated for 2013!
268 Transactions
All payment methods are secure and covered by SeekIC Buyer Protection PLUS.

|
Symbol |
Parameter/Condition |
Min |
Max |
Unit |
|
VDD |
Power supply voltage |
-0.3 |
4.0 |
V |
|
VI |
Voltage on CTRL input |
-0.3 |
VDD + 0.3 |
V |
|
PRF |
RF CW power |
24 |
dBm | |
|
TST |
Storage temperature |
-65 |
150 |
°C |
|
TOP |
Operating temperature |
-40 |
85 |
°C |
|
VESD |
ESD voltage(Human Body Model) |
1000 |
V |
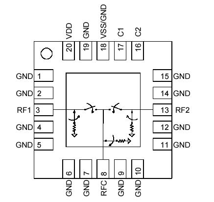
The PE4280 is an UltraCMOS™ Switch designed for CATV applications, covering a broad frequency range from DC up to 2.2 GHz. This single-supply SPDT switch integrates a two-pin CMOS control interface. It also provides low insertion loss with extremely low bias requirements while operating on a single 3 V supply. In a typical CATV application, the PE4280 provides for a cost effective and manufacturable solution when compared to mechanical relays.
The PE4280 is manufactured in Peregrine's patented Ultra Thin Silicon (UTSi®) CMOS process, offering the performance of GaAs with the economy and integration of conventional CMOS.