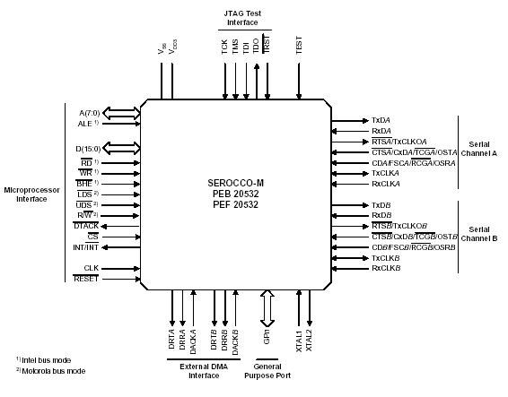
Features: Serial communication controllers (SCCs)• Two independent channels• Full duplex data rates on each channel of up to16 Mbit/s sync - 2 Mbit/s with DPLL• 64 Bytes deep receive FIFO per SCC• 64 Bytes deep transmit FIFO per SCCSerial Interface• On-chip clock gene...
PEB20532: Features: Serial communication controllers (SCCs)• Two independent channels• Full duplex data rates on each channel of up to16 Mbit/s sync - 2 Mbit/s with DPLL• 64 Bytes deep recei...
SeekIC Buyer Protection PLUS - newly updated for 2013!
268 Transactions
All payment methods are secure and covered by SeekIC Buyer Protection PLUS.
