Features: • Single-Supply Operation (+2V to +6V)• Rail-to-Rail Analog Signal Dynamic Range• Low On-Resistance (6-Ohms typ. with 5V supply)Minimizes Distortion and Error Voltages• On-Resistance Flatness, 3W typ.• Low Charge Injection Reduces Glitch Errors. Q = 4pC typ....
PI5A126: Features: • Single-Supply Operation (+2V to +6V)• Rail-to-Rail Analog Signal Dynamic Range• Low On-Resistance (6-Ohms typ. with 5V supply)Minimizes Distortion and Error Voltages...
SeekIC Buyer Protection PLUS - newly updated for 2013!
268 Transactions
All payment methods are secure and covered by SeekIC Buyer Protection PLUS.

Voltages Referenced to GND
V+ ............................................................................................. 0.5V to +7V
VIN, VCOM, VNC, VNO (Note 1) ........................... 0.5V to V+ +2V
................................................... or 30mA, whichever occurs first
Current (any terminal except COM,NO,NC) ........................ 30mA
Current, COM, NO, NC ......................................................100mA
(Pulsed at 1ms, 10% duty cycle) ........................................120mA
Continuous Power Dissipation
-6 (derate 7mW/ºC above +70ºC) ........................................ 550mW
Storage Temperature ......................................... 65ºC to +150ºC
Lead Temperature (soldering, 10s) .................................. +300ºC
Note 1:
Signals on NC, NO, COM, or IN exceeding V+ or GND areclamped by internal diodes. Limit forward diode current to 30mA.
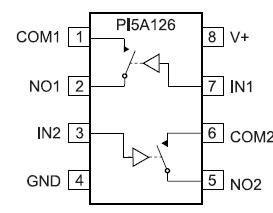
The PI5A126/PI5A127 are dual SPST (single-pole single-throw)analog switches designed for single supply operation.
These PI5A126/PI5A127 high-precision devices are ideal for low-distortion audio,video, signal switching and routing.
The PI5A126 is a normally open (NO) switch. The switch is openwhen IN is LOW. The PI5A127 is a normally closed (NC) switch.Each PI5A126/PI5A127 switch conducts current equally well in either directionwhen on. When off, they block voltages up to V+.
These PI5A126/PI5A127 switches are fully specified with +5V and +3.3V supplies.
With +5V, they guarantee <10 -ohm ON-resistance. On-resistancematching between channels is within 2 ohms. On-resistance flatnessis less than 5 ohms over the specified range. These switchesalso guarantee fast switching speeds (tON < 20ns).These PI5A126/PI5A127 products are available in 8-pin SOIC and MSOP plasticpackages for operation over the industrial temperature range(40oC to +85oC).