Features: Special Microcontroller Features• Precision Internal Oscillator- Factory calibrated to ±1%- Software selectable frequency range of 8 MHz to 31 kHz- Two-speed Start-up mode- Crystal fail detect for critical applications- Clock mode switching during operation for power savings•...
PIC12F683: Features: Special Microcontroller Features• Precision Internal Oscillator- Factory calibrated to ±1%- Software selectable frequency range of 8 MHz to 31 kHz- Two-speed Start-up mode- Crystal f...
SeekIC Buyer Protection PLUS - newly updated for 2013!
268 Transactions
All payment methods are secure and covered by SeekIC Buyer Protection PLUS.
SpecificationsDescriptionThe PIC1018SCL is one member of the PIC1018 family which is designed as o...
Special Microcontroller Features
• Precision Internal Oscillator
- Factory calibrated to ±1%
- Software selectable frequency range of 8 MHz to 31 kHz
- Two-speed Start-up mode
- Crystal fail detect for critical applications
- Clock mode switching during operation for power savings
• Power-saving Sleep mode
• Wide operating voltage range. (2.0V-5.5V)
• Industrial and Extended temperature range
• Power-on Reset (POR)
• Power-up Timer (PWRT) and Oscillator Start-up Timer (OST)
• Brown-out Detect (BOD) with software control option
• Enhanced low current Watchdog Timer (WDT) with on-chip oscillator (software selectable nominal 268 seconds with full prescaler) with software enable
• Multiplexed Master Clear with pull-up/input pin
• Programmable code protection
• High Endurance Flash/EEPROM cell
- 100,000 write Flash endurance
- 1,000,000 write EEPROM endurance
- Flash/Data EEPROM Retention: > 40 years
Low Power Features
• Standby Current:
- 1 nA @ 2.0V, typical
• Operating Current:
- 8.5A @ 32 kHz, 2.0V, typical
- 100A @ 1 MHz, 2.0V, typical
• Watchdog Timer Current:
- 1A @ 2.0V, typical
Peripheral Features
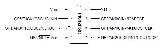
• 6 I/O pins with individual direction control
- High-current source/sink for direct LED drive
- Interrupt-on-change pin
- Individually programmable weak pull-ups
- Ultra low-power wake-up
• Analog comparator module with:
- One analog comparator
- Programmable on-chip voltage reference (CVREF) module (% of VDD)
- Comparator inputs and output externally accessible
• A/D Converter
- 10-bit resolution and 4 channels
• Timer0: 8-bit timer/counter with 8-bit programmable prescaler
• Enhanced Timer1
- 16-bit timer/counter with prescaler
- External Gate Input mode
- Option to use OSC1 and OSC2 in LP mode as Timer1 oscillator, if INTOSC mode selected
• Timer2: 8-bit timer/counter with 8-bit period register, prescaler and postscaler
• Capture, Compare, PWM module
- 16-bit Capture, max resolution 12.5 ns
- Compare, max resolution 200 ns
- 10-bit PWM, max frequency 20 kHz
• In-Circuit Serial ProgrammingTM (ICSPTM) via two pins

| Parameter Name | Value |
| Program Memory Type | Flash |
| Program Memory (KB) | 3.5 |
| CPU Speed (MIPS) | 5 |
| RAM Bytes | 128 |
| Data EEPROM (bytes) | 256 |
| Capture/Compare/PWM Peripherals | 1 CCP |
| Timers | 2 x 8-bit, 1 x 16-bit |
| ADC | 4 ch, 10-bit |
| Comparators | 1 |
| Temperature Range (C) | -40 to 125 |
| Operating Voltage Range (V) | 2 to 5.5 |
| Pin Count | 8 |
Absolute Maximum Ratings(†)
Ambient temperature under bias............................ -40 to +125°C
Storage temperature ....................................... -65°C to +150°C
Voltage on VDD with respect to VSS ......................... -0.3 to +6.5V
Voltage onMCLR with respect to Vss .....................-0.3 to +13.5V
Voltage on all other pins with respect to VSS...-0.3V to (VDD + 0.3V)
Total power dissipation(1) .............................................. 800 mW
Maximum current out of VSS pin ....................................... 300 mA
Maximum current into VDD pin ......................................... 250 mA
Input clamp current, IIK (VI < 0 or VI > VDD)..................± 20 mA
Output clamp current, IOK (Vo < 0 or Vo >VDD)...............± 20 mA
Maximum output current sunk by any I/O pin..................... 25 mA
Maximum output current sourced by any I/O pin ................ 25 mA
Maximum current sunk by GPIO......................................... 200 mA
Maximum current sourced GPIO........................................ 200 mA
Note 1: Power dissipation is calculated as follows: PDIS = VDD x {IDD - IOH} + {(VDD-VOH) x IOH} + (VOl x IOL).
† NOTICE: Stresses above those listed under "Absolute Maximum Ratings" may cause permanent damage to the device. This is a stress rating only and functional operation of the device at those or any other conditions above those
indicated in the operation listings of this specification is not implied. Exposure to maximum rating conditions for extended periods may affect device reliability.
Note: Voltage spikes below VSS at theMCLR pin, inducing currents greater than 80 mA, may cause latch-up. Thus, a series resistor of 50-100 should be used when applying a "low" level to the MCLR pin, rather than pulling this pin directly to VSS.