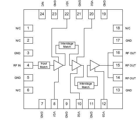
Features: • 29 dBm P1dB@7V• 24 dBm P1dB@3V• 20 dB gain• Input matched to 50 ohms• Simple output matchingApplication• U-NII fixed-wireless CPE• 5 GHz ISM band wireless equipment• WLAN/802.11a/HIPERLAN/2PinoutSpecifications Parameter Rating Unit...
PRFS-1003-0EVL: Features: • 29 dBm P1dB@7V• 24 dBm P1dB@3V• 20 dB gain• Input matched to 50 ohms• Simple output matchingApplication• U-NII fixed-wireless CPE• 5 GHz ISM ban...
SeekIC Buyer Protection PLUS - newly updated for 2013!
268 Transactions
All payment methods are secure and covered by SeekIC Buyer Protection PLUS.
Features: • 29 dBm P1dB@7V• 24 dBm P1dB@3V• 20 dB gain• Input matched to 5...
Features: • 29 dBm P1dB@7V• 24 dBm P1dB@3V• 20 dB gain• Input matched to 5...
Features: · 25 dBm P1dB@3.3V· 30 dB gain· 1.5 % EVM @ POUT = +18 dBm· with 54 Mbps OFDM signal· 11...

| Parameter | Rating | Unit |
| DC Power Supply | 8.0 | V |
| DC Gate Voltage | -5.0 min, -0.5 max | V |
| DC Supply Current | 1000 | mA |
| Maximum RF input level | +13 | dBm |
| Operating Ambient Temperature | -40 to +85 | °C |
| Storage Temperature | -55 to +150 | °C |
The PRFS-1003-0EVL power amplifier is a high-power, highperformance GaAs MESFET IC designed for use in transmit applications in the 5.1-5.9 GHz frequency band. With a P1dB of 29 dBm, the device is ideal as a final stage for wireless applications requiring high transmit linearity. The input of the PA is matched to 50 ohms and the output can be easily matched for optimum linearity and power performance at the desired frequency of operation between 5.1 and 5.9 GHz.