Features: · 25 dBm P1dB@3.3V· 30 dB gain· 1.5 % EVM @ POUT = +18 dBm· with 54 Mbps OFDM signal· 110 mA @ POUT = +18 dBm· with 54 Mbps OFDM signal· Single +3.3V supply voltage· PA power on/off logic· Input and output matched to 50 ohms· 3x3 mm Package OutlineApplication· 802.11b/g WLAN· 2.4 GHz ISM...
PRFS-P2020-005: Features: · 25 dBm P1dB@3.3V· 30 dB gain· 1.5 % EVM @ POUT = +18 dBm· with 54 Mbps OFDM signal· 110 mA @ POUT = +18 dBm· with 54 Mbps OFDM signal· Single +3.3V supply voltage· PA power on/off logic·...
SeekIC Buyer Protection PLUS - newly updated for 2013!
268 Transactions
All payment methods are secure and covered by SeekIC Buyer Protection PLUS.
Features: • 29 dBm P1dB@7V• 24 dBm P1dB@3V• 20 dB gain• Input matched to 5...
Features: • 29 dBm P1dB@7V• 24 dBm P1dB@3V• 20 dB gain• Input matched to 5...
Features: • 29 dBm P1dB@7V• 24 dBm P1dB@3V• 20 dB gain• Input matched to 5...

| Parameter | Rating | Unit |
| DC Power Supply | 6.0 | V |
| DC Gate Voltage | 400 | V |
| DC Supply Current | -1 | mA |
| Maximum RF input level | +13 | dBm |
| Operating Ambient Temperature | -40 to +85 | °C |
| Storage Temperature | -55 to +150 | °C |
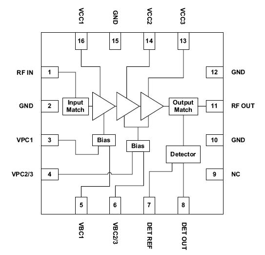
The PRFS-P2020-005 power amplifier is a highperformance GaAs HBT IC designed for use in transmit applications in the 2.4-2.5 GHz frequency band. With a P1dB of 25 dBm, the device is ideal as a final stage for wireless LAN applications requiring high transmit linearity. Designed with advanced linearizing techniques, the device PRFS-P2020-005 achieves a specific error vector magnitude (EVM) with lesser backoff than conventional PA designs. The PA exhibits unparalleled linearity and efficiency for both 802.11b- and 802.11g-based WLAN systems. The on-chip detector is perfect for systems where power sensing is necessary. The part operates off a single +3.3V supply.