Features: • Low On-Resistance• On-Resistance Matching Between Channels, 0.2W typ• On-Resistance Flatness, <2W typ• Low Off-Channel Leakage, <100pA @ +25oC• TTL/CMOS Logic Compatible• GND-to-V+ Analog Signal Dynamic Range• Low Power Consumption (<1...
PS4066A: Features: • Low On-Resistance• On-Resistance Matching Between Channels, 0.2W typ• On-Resistance Flatness, <2W typ• Low Off-Channel Leakage, <100pA @ +25oC• TTL/CM...
SeekIC Buyer Protection PLUS - newly updated for 2013!
268 Transactions
All payment methods are secure and covered by SeekIC Buyer Protection PLUS.
US $13.66 - 14.71 / Piece
EMI/RFI Suppressors & Ferrites PCB Shield Enclosure Adhesive Base
US $16.12 - 20.67 / Piece
EMI/RFI Suppressors & Ferrites PCB Shield Enclosure to 5GHz

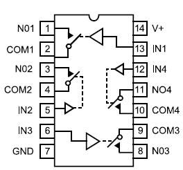
The PS4066/PS4066A are improved SPST CMOS analog switches ideal for low-distortion audio switching. These high precision, medium voltage switches were designed to operate with single-supplies from +3V to 16V. They are fully specified with +12V, +5V, and +3V supplies. The device has four normally open (NO) switches. Each switch conducts current equally well in either direction when on. In the off state each switch blocks voltages up to the power-supply rails.
With +12V power supply, the PS4066/PS4066A guarantee <45W on-resistance. On-resistance matching between channels is within 2W (PS4066). On-resistance flatness is less than 4W (PS4066A) over the specified range. It guarantees low leakage currents (<100pA @ 25oC, <6nA @ +85oC) and fast switching speeds (tON < 175ns). ESD sensitivity rating is >2,000V per MIL-STD 883, Method 3015.7
Both devices PS4066A are available in PDIP-14, narrow-body SOIC-14, and QSOP-16 packages. Available temperature ranges are: commercial (0oC to 70oC), and industrial (-40oC to +85oC).
For operation below 5V, the PI5A101/PI5A391/PI5A392 are also recommended.