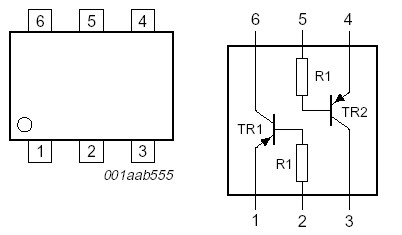
Features: ·Built-in bias resistors·Simplifies circuit design·Reduces component count·Reduces pick and place costApplication·Low current peripheral driver·Control of IC inputs·Replacement of general-purpose transistors in digital applicationsPinoutSpecifications SYMBOL PARAMETER CONDITIO...
PUMB14: Features: ·Built-in bias resistors·Simplifies circuit design·Reduces component count·Reduces pick and place costApplication·Low current peripheral driver·Control of IC inputs·Replacement of general-...
SeekIC Buyer Protection PLUS - newly updated for 2013!
268 Transactions
All payment methods are secure and covered by SeekIC Buyer Protection PLUS.

| SYMBOL | PARAMETER |
CONDITIONS |
MIN. |
MAX. |
UNIT | |
| Per transistor; for the PNP transistor with negative polarity | ||||||
| VCBO | collector-base voltage |
open emitter |
- |
-50 |
V | |
| VCEO | collector-emitter voltage |
open base |
- |
-50 |
V | |
| VEBO | emitter-base voltage |
open collector |
- |
-5 |
V | |
| IC | collector current (DC) |
- |
-100 |
mA | ||
| ICM | peak collector current |
- |
-100 |
MA | ||
| IBM | peak base current |
- |
100 |
mA | ||
| Ptot | total power dissipation SOT363 SOT666 |
Tamb 25 °C |
[1] [1] [2] |
- - |
200 200 |
mW |
| Tstg | storage temperature |
-65 |
+150 |
°C | ||
| Tj | junction temperature |
- |
150 |
°C | ||
| Tamb | operating ambient temperature |
-65 |
+150 |
°C | ||
| Per device | ||||||
| Ptot | total power dissipation SOT363 SOT666 |
Tamb25 °C |
[1] [1] [2] |
- - |
300 300 |
mW MW |