Features: • VCC = 1.65 V to 5.5 V• All inputs VIH (Max.) = 5.5 V (@VCC = 0 V to 5.5 V)• All outputs VOUT (Max.) = 5.5 V (@VCC = 0 V or output off state)• Typical VOL ground bounce < 0.8 V (@VCC = 3.3 V, Ta = 25°C)• Typical VOH undershoot > 2.0 V (@VCC = 3.3 V, T...
RD74LVC541B: Features: • VCC = 1.65 V to 5.5 V• All inputs VIH (Max.) = 5.5 V (@VCC = 0 V to 5.5 V)• All outputs VOUT (Max.) = 5.5 V (@VCC = 0 V or output off state)• Typical VOL ground b...
SeekIC Buyer Protection PLUS - newly updated for 2013!
268 Transactions
All payment methods are secure and covered by SeekIC Buyer Protection PLUS.
Features: • The basic gate function is lined up as Renesas uni logic series.• Supplied...
Features: • The basic gate function is lined up as Renesas uni logic series.• Supplied...
Features: • The basic gate function is lined up as Renesas uni logic series.• Supplied...

| Item | Symbol | Ratings | Unit | Test Conditions |
| Supply voltage | VCC | 0.5 to 7.0 | V | |
| Input diode current | IIK | -50 | mA | VI = 0.5 V |
| Input voltage | VI | 0.5 to 7.0 | V | |
| Output diode current | IOK | -50 | mA | VO = 0.5 V |
| 50 | mA | VO = VCC+0.5 V | ||
| Output voltage | VO | 0.5 to VCC+0.5 | V | Output "H" or "L" |
| 0.5 to 7.0 | Output "Z" or VCC:OFF | |||
| Output current | IO | ±50 | mA | |
| VCC, GND current / pin | ICC or IGND | 100 | mA | |
| Storage temperature | Tstg | 65 to +150 | °C |
Note: The absolute maximum ratings are values, which must not individually be exceeded, and furthermore, no two of
which may be realized at the same time.
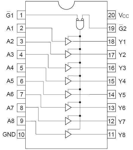
The RD74LVC541B has eight line drivers with three state outputs in a 20 pin package. When G1 and G2 is low level, this drivers set up output is enable. Low voltage and high-speed operation is suitable at the battery drive product of RD74LVC541B (note type personal computer) and low power consumption extends the life of a battery for long time operation.