Features: · Low Insertion Loss 0.3dB at 1GHz· High Isolation 26dB at 1GHz· Low Control Voltage 2.6V to 5.0V· Harmonics H2: -80dBc@1GHz· GaAs pHEMT ProcessApplication· Cellular Handset Applications· Antenna Tuning Applications· Multi-Mode GSM, W-CDMA Applications· IEEE802.11b/g WLAN Applications· G...
RF1200: Features: · Low Insertion Loss 0.3dB at 1GHz· High Isolation 26dB at 1GHz· Low Control Voltage 2.6V to 5.0V· Harmonics H2: -80dBc@1GHz· GaAs pHEMT ProcessApplication· Cellular Handset Applications· ...
SeekIC Buyer Protection PLUS - newly updated for 2013!
268 Transactions
All payment methods are secure and covered by SeekIC Buyer Protection PLUS.

| Rating | Value | Unit |
| Voltage | 7.0 | V |
| Maximum Input Power (0GHz to 2.5GHz) |
+36 | dBm |
| Operating Temperature | -30 to +85 | °C |
| Soldering Temperature | -35 to +100 | °C |
| Frequency (MHz) | Low Freq. to 2500 |
| Insertion/Conversion Loss (dB) | 0.5 @2GHz |
| Vcc (V) | 2.65 to 5.00 |
| Package/Size (Dim in mm) | QFN, 6-pin, 2x2 |
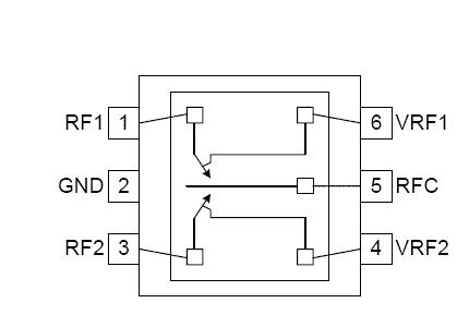
The RF1200 is a single-pole double-throw (SPDT) high power switch specially designed to handle GSM power applications. The RF1200 features low insertion loss, low control voltage, high linearity, and very good harmonic characteristics. It is fabricated with 0.5m GaAs pHEMT process, and is packaged in a very compact 2mmx2mm, 6-pin, leadless QFN package.