Features: • Single 3V to 6V Supply• 0dB to 44dB Attenuation Range• 4dB Insertion Loss• 5-bit Digitally Controlled Attenuation• Digitally Controlled Power Down Mode• DC to 950MHz Frequency RangeApplication• Power Control in Communication Systems• CMOS...
RF2420: Features: • Single 3V to 6V Supply• 0dB to 44dB Attenuation Range• 4dB Insertion Loss• 5-bit Digitally Controlled Attenuation• Digitally Controlled Power Down Mode̶...
SeekIC Buyer Protection PLUS - newly updated for 2013!
268 Transactions
All payment methods are secure and covered by SeekIC Buyer Protection PLUS.

| Parameter |
Rating |
Unit |
| Supply Voltage RF Input Power Operating Ambient Temperature Storage Temperature |
-0.5 to +7.0 +17 -40 to +85 -40 to +150 |
VDC dBm °C °C |
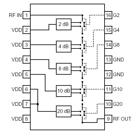
The RF2420 is a multistage monolithic programmable attenuator. RF2420 is built using an advanced Gallium Arsenide process technology and has an attenuation programmability over a 44dB range in 2dB steps. The attenuation of RF2420 is set by five bits of digital data. The input and output of the device have a low VSWR 50Ω match. This unit is intended for use in systems that require RF transmit power control by digital means. Typical applications are in dual mode IS-54/55 compatible cellular transceivers and TETRA systems. No negative supply voltages are required.