Features: • GSM850, EGSM, DCS & PCS Operation• Supports Both VLIF & DCR Modes• Integrated RF VCO• Integrated LNA's Support up to Four RF Bands• EDGE Receive CompatibleApplication• EGSM/DCS Handsets• EGSM/DCS/PCS Handsets• GSM850/PCS Handsets&...
RF2722: Features: • GSM850, EGSM, DCS & PCS Operation• Supports Both VLIF & DCR Modes• Integrated RF VCO• Integrated LNA's Support up to Four RF Bands• EDGE Receive Com...
SeekIC Buyer Protection PLUS - newly updated for 2013!
268 Transactions
All payment methods are secure and covered by SeekIC Buyer Protection PLUS.

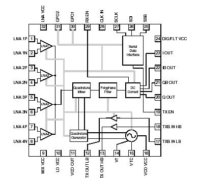
The RF2722 is a highly-integrated receiver IC supporting GSM, GPRS, and EDGE cellular standards in the GSM850, EGSM, DCS, and PCS bands. The RF2722 supports both very-low intermediate frequency (VLIF) as well as direct conversion receive (DCR) architectures, reducing external component count and eliminating the need for IF SAW and RF interstage filters without compromising performance. The IC includes: four LNA's for multi-band support; an integrated voltage controlled oscillator (VCO); automatic gain control (AGC); a quadrature downconverting mixer; and, low and high band transmit buffers. Chip functionality, including IF AGC setting, is controlled through a three-wire serial data interface (SDI). The RF2722 is part of the POLARISTM TOTAL RADIOTM solution.