Features: • 2.0V to 3.6V Power Supply• 902MHz to 928MHz Frequency Range• 200mW Output Power• Low LO Input Level• Low Broadband Noise Floor• Small FootprintApplication• 915MHz ISM Band Products• Digital Communications• Quadrature Modulation̶...
RF2942: Features: • 2.0V to 3.6V Power Supply• 902MHz to 928MHz Frequency Range• 200mW Output Power• Low LO Input Level• Low Broadband Noise Floor• Small FootprintApplica...
SeekIC Buyer Protection PLUS - newly updated for 2013!
268 Transactions
All payment methods are secure and covered by SeekIC Buyer Protection PLUS.

| Parameter |
Rating |
Unit |
| Supply Voltage |
-0.5 to +3.6 |
VDC |
| Power Down Voltage (VPD) |
VCC+0.4 |
VDC |
| Input LO and RF Levels |
+6 |
dBm |
| Operating Ambient Temperature |
-40 to +85 |
°C |
| Storage Temperature |
-40 to +150 |
°C |
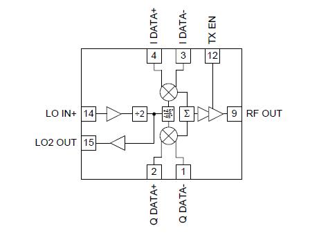
The RF2942 is an integrated power amplifier and quadrature modulator IC. The quadrature modulator RF2942 is driven with a single-ended local oscillator (LO) source. The quadrature phase generation of the LO is accomplished using an internal passive network tuned for twice the operating frequency. The RF2942 LO frequency is at twice the RF frequency to avoid interfering with an external synthesizer.