Features: • Can meet single tone CDMA desensitization requirements• Can meet CDMA two tone interference requirements• Separate, selectable IF outputs to suit FM and CDMA bandwidths• Buffered Cellular and PCS LO inputs• Integrated frequency doubler for PCS mixer LOR...
SA9503: Features: • Can meet single tone CDMA desensitization requirements• Can meet CDMA two tone interference requirements• Separate, selectable IF outputs to suit FM and CDMA bandwidths...
SeekIC Buyer Protection PLUS - newly updated for 2013!
268 Transactions
All payment methods are secure and covered by SeekIC Buyer Protection PLUS.

| PARAMETER | RATINGS | UNITS |
| Supply voltage (VCC) | 0.3 to +3.6 | V |
| Gain control voltage | +3.6 | V |
| Logic input voltage | 0.3 to VCC+0.3 | V |
| Maximum power input | +20 | dBm |
| Power dissipation, Tamb=25°C | 800 | mW |
| Storge temperature | 65 to +150 |
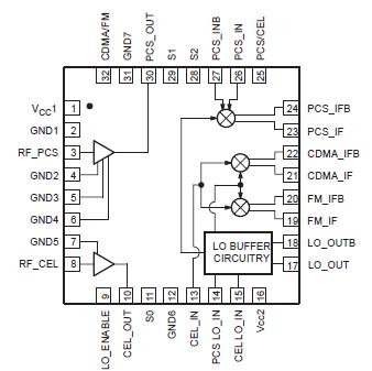
The SA9503 is an integrated CDMA/AMPS low noise amplifier (LNA) plus a downconverter, for both the 900 MHz Cellular band and the 1.9 GHz PCS band. The LNA incorporates 5 settings of digitally selected stepped gain in the Cellular band and in the PCS band. One of the modes (high linearity mode) in each of the Cellular and PCS bands, SA9503 includes a high IP3 setting in order to meet the 1-tone CDMA desensitization test. The gain, noise figure and IP3 for the remaining 4 low current modes in the Cellular band, are designed in order to have sufficient separation between the antenna power levels at which the LNA gains are changed, based on multi-tone interference levels. A 3 dB overlap is allowed in the antenna power levels for the adjacent modes. Table 1 indicates a typical scenario.
The downconverter portion SA9503 is based on our SA9502 and is designed to meet all the stringent spurious rejections that are required in the Cellular and PCS bands. There are three individual mixer blocks, each optimized for high linearity with low power consumption for operation in one of the following modes: 1900 MHz PCS CDMA, 800 MHz Cellular CDMA, or 800 MHz analog FM AMPS/TACS modes.
The SA9503 has been designed in our advanced QUBiC3 BiCMOS process with 30 GHz fT.