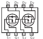
PinoutSpecifications Parameter Symbol N-Channel P -Channel Unit Drain-S ource Voltage VDS 30 -30 V Gate-S ource Voltage VGS ±20 ±20 V Drain Current-Continuous a@ TJ=125 -Pulsedb ID 7.0 -5.0 A IDM 28 -20 A Drai...
SDM8958: PinoutSpecifications Parameter Symbol N-Channel P -Channel Unit Drain-S ource Voltage VDS 30 -30 V Gate-S ource Voltage VGS ±20 ±20 V Drain ...
SeekIC Buyer Protection PLUS - newly updated for 2013!
268 Transactions
All payment methods are secure and covered by SeekIC Buyer Protection PLUS.

|
Parameter |
Symbol |
N-Channel |
P -Channel |
Unit |
|
Drain-S ource Voltage |
VDS |
30 |
-30 |
V |
|
Gate-S ource Voltage |
VGS |
±20 |
±20 |
V |
|
Drain Current-Continuous a@ TJ=125 |
ID |
7.0 |
-5.0 |
A |
|
IDM |
28 |
-20 |
A | |
|
Drain-S ource Diode Forward Currenta |
IS |
1.7 |
-1.7 |
A |
|
Maximum Power Dissipation a |
PD |
2.0 |
W | |
|
Operating and S torage Temperature R ange |
TJ , TSTG |
-55 to 150 |
||