PinoutSpecificationsVCC ........................................................................................ +7VInput VoltagesLogic ............................................................ 0.5V to (VCC +0.5V)Receiver ............................................................................
SP489: PinoutSpecificationsVCC ........................................................................................ +7VInput VoltagesLogic ............................................................ 0...
SeekIC Buyer Protection PLUS - newly updated for 2013!
268 Transactions
All payment methods are secure and covered by SeekIC Buyer Protection PLUS.

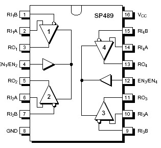
The SP488 and SP489 are lowpower quad differential line receivers meeting RS-485 and RS-422 standards. The SP488 features a common receiver enable control; the SP489 provides independent receiver enable controls for each pair of receivers. Both feature tristate outputs and wide common mode input range. The receivers have a failsafe feature which forces a logic "1" output when receiver inputs are left floating. Both are available in 16pin plastic DIP and SOIC packages.