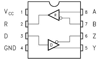
Features: · LOW SUPPLY CURRENT: 5mA MAX· -7 TO 12 COMMON MODE INPUT VOLTAGE RANGE· 70mV TYPICAL INPUT HYSTERESIS· DESIGNED FOR 25Mbps OPERATION· OPERATE FROM SINGLE 5 SUPPLY· ±4kV ESD PROTECTION· CURRENT LIMITING AND THERMAL SHUTDOWN FOR DRIVER OVERLOAD PROTECTIONPinoutSpecifications Symbol ...
ST490A: Features: · LOW SUPPLY CURRENT: 5mA MAX· -7 TO 12 COMMON MODE INPUT VOLTAGE RANGE· 70mV TYPICAL INPUT HYSTERESIS· DESIGNED FOR 25Mbps OPERATION· OPERATE FROM SINGLE 5 SUPPLY· ±4kV ESD PROTECTION· CU...
SeekIC Buyer Protection PLUS - newly updated for 2013!
268 Transactions
All payment methods are secure and covered by SeekIC Buyer Protection PLUS.

| Symbol | Parameter |
Value |
Unit |
| VCC | Supply Voltage |
7 |
V |
| VDI | Control Input Voltage |
-0.5 to 7 |
V |
| VY,VZ | Driver Output Voltage |
-7.5 to 12.5 |
V |
| VA,VB | Receiver Input Voltage |
-7.5 to 12.5 |
V |
| VRO | Receiver Output Voltage |
-0.3 to (VCC + 0.3) |
V |
| ESD | Human Boby Model |
3.5 |
kV |
The ST490A is a low power transceiver for RS-485 and RS-422 communications. The device contains one driver and one receiver in full duplex configuration. The ST490A draws 5mA (typ.) of supply current when unloaded or fully loaded with disabled drivers. It operates from a single 5V supply.
ST490A Driver is short-circuit current limited and is protected against excessive power dissipation by thermal shutdown circuitry that place the driver outputs into a high-impedance state. The receiver input has a fail-safe feature that guarantees a logic high output if both inputs are open circuit.