Features: · LOW SUPPLY CURRENT: 5mA MAX· DESIGNED FOR RS485 INTERFACE APPLICATIONS· -7 TO 12 COMMON MODE INPUT VOLTAGE RANGE· 70mV TYPICAL INPUT HYSTERESIS· DESIGNED FOR 25Mbps OPERATION· OPERATE FROM SINGLE 5 SUPPLY· ±4kV ESD PROTECTION · CURRENT LIMITING AND THERMAL SHUTDOWN FOR DRIVER OVERLOAD ...
ST491A: Features: · LOW SUPPLY CURRENT: 5mA MAX· DESIGNED FOR RS485 INTERFACE APPLICATIONS· -7 TO 12 COMMON MODE INPUT VOLTAGE RANGE· 70mV TYPICAL INPUT HYSTERESIS· DESIGNED FOR 25Mbps OPERATION· OPERATE FR...
SeekIC Buyer Protection PLUS - newly updated for 2013!
268 Transactions
All payment methods are secure and covered by SeekIC Buyer Protection PLUS.

| Symbol | Parameter |
Value |
Unit |
| VCC | Supply Voltage |
7 |
V |
| VDI | Control Input Voltage |
-0.5 to 7 |
V |
| VY,VZ | Driver Output Voltage |
-7.5 to 12.5 |
V |
| VA,VB | Receiver Input Voltage |
-7.5 to 12.5 |
V |
| VRO | Receiver Output Voltage |
-0.3 to (VCC + 0.3) |
V |
| ESD | Human Boby Model |
3.5 |
kV |
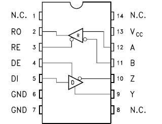
The ST491A is a low power transceiver for RS-485 and RS-422 communications. The device contains one driver and one receiver in full duplex configuration. The ST491A draws 5mA (typ.) of supply current when unloaded and operates from a single 5V supply.
ST491A Driver is short-circuit current limited and is protected against excessive power dissipation by thermal shutdown circuitry that place the driver outputs into a high-impedance state. The receiver input has a fail-safe feature that guarantees a logic high output if both inputs are open circuit.