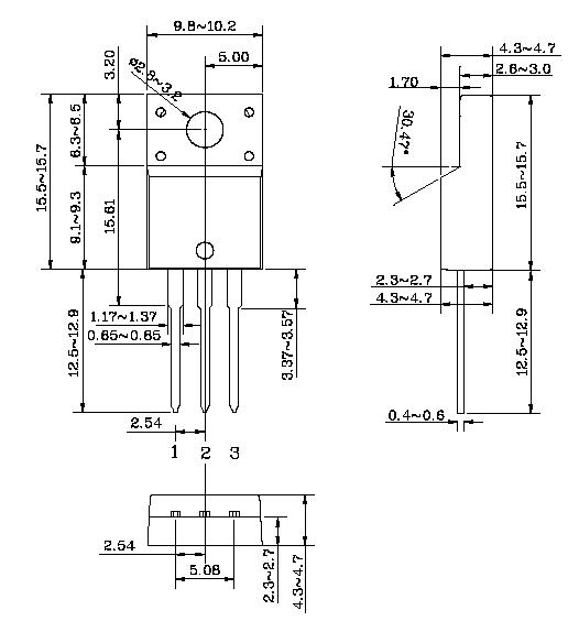
Features: • High speed switching• High Collector Voltage : VCBO = 700V• Suitable for Switching Regulator and Motor ControlPinoutSpecifications Characteristic Symbol Rating Unit Collector-Base voltage VCBO 700 V Collector-Emitter voltage VCEO 400 V Emitter-b...
STD13007F: Features: • High speed switching• High Collector Voltage : VCBO = 700V• Suitable for Switching Regulator and Motor ControlPinoutSpecifications Characteristic Symbol Rating ...
SeekIC Buyer Protection PLUS - newly updated for 2013!
268 Transactions
All payment methods are secure and covered by SeekIC Buyer Protection PLUS.


| Characteristic | Symbol | Rating | Unit |
| Collector-Base voltage | VCBO | 700 | V |
| Collector-Emitter voltage | VCEO | 400 | V |
| Emitter-base voltage | VEBO | 9 | V |
| Collector current (DC) | IC | 8 | A |
| Collector current (Pulse) | ICM | 16 | A |
| Base current (DC) | IB | 4 | A |
| Collector Power dissipation (Tc=25) | PC | 40 | W |
| Junction temperature | Tj | 150 | °C |
| Storage temperature | Tstg | -55~150 | °C |