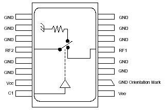
Features: Integral TTL DriverUltra Low Power ConsumptionFast Switching Speed: 4 ns TypicalSurface Mount Package50 Ohm Nominal ImpedanceMIL-STD-883 Screening AvailablePinoutSpecifications Parameter Absolute Maximum Max Input Power50 MHz500 - 2000 MHz +27 dBm+34 dBm Supply Vol...
SW-311: Features: Integral TTL DriverUltra Low Power ConsumptionFast Switching Speed: 4 ns TypicalSurface Mount Package50 Ohm Nominal ImpedanceMIL-STD-883 Screening AvailablePinoutSpecifications Para...
SeekIC Buyer Protection PLUS - newly updated for 2013!
268 Transactions
All payment methods are secure and covered by SeekIC Buyer Protection PLUS.

|
Parameter |
Absolute Maximum |
|
Max Input Power |
+27 dBm +34 dBm |
|
Supply Voltages |
|
|
Control Voltage 4 |
-0.5V, to Vcc +0.5V |
|
Operating Temperature |
-55°C to +125°C |
|
Storage Temperature |
-65°C to +150°C |
M/A-COM's SW-311 is a GaAs FET SPST absorptive switch with integral silicon ASIC driver. Packaged in a 16-lead ceramic surface mount package, this device offers excellent performance and repeatability from DC to 3 GHz while maintaining low power consumption. The SW-311 is ideally suited for use where fast speed, low power consumption and broadband applications are required. MIL-STD-883 Screening Available.