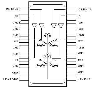
Features: Integral TTL DriverIsolation: 50 dB Typ. At 1 GHzUltra Low DC Power ConsumptionHermetic Surface Mount Package50 Ohms Nominal ImpedanceMIL-STD-883 Screening AvailablePinoutSpecifications Parameter Absolute Maximum Max Input Power50 MHz500 - 2000 MHz4 +27 dBm+34 dBm ...
SW-314: Features: Integral TTL DriverIsolation: 50 dB Typ. At 1 GHzUltra Low DC Power ConsumptionHermetic Surface Mount Package50 Ohms Nominal ImpedanceMIL-STD-883 Screening AvailablePinoutSpecifications ...
SeekIC Buyer Protection PLUS - newly updated for 2013!
268 Transactions
All payment methods are secure and covered by SeekIC Buyer Protection PLUS.

|
Parameter |
Absolute Maximum |
|
Max Input Power |
+27 dBm +34 dBm |
|
Supply Voltages |
|
|
Control Voltage 5 |
-0.5V, to Vcc +0.5V |
|
Operating Temperature |
-55°C to +125°C |
|
Storage Temperature |
-65°C to +150°C |
M/A-COM's SW-314 is a GaAs MMIC SP4T absorptive switch with an integral silicon ASIC driver. This device is in a 24-lead ceramic surface mount package. These switches exhibit excellent performance from DC to 3 GHz, with very low DC power dissipation. The SW-314 is ideally suited for RF/IF communications applications. Environmental screening is available. Contact the factory for information.