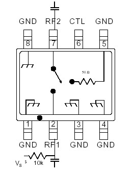
Features: · Terminated RF Output· High Isolation: 42 dB upto 2 GHz· Single Positive Control· CMOS Compatible Logic· Low Cost SOIC-8 Plastic PackagePinoutSpecifications Parameter Absolute Maximum1 Input PowerOperating Voltage (VS, VCTL)Operating TemperatureStorage Temperature +34 ...
SW-393: Features: · Terminated RF Output· High Isolation: 42 dB upto 2 GHz· Single Positive Control· CMOS Compatible Logic· Low Cost SOIC-8 Plastic PackagePinoutSpecifications Parameter Absolute M...
SeekIC Buyer Protection PLUS - newly updated for 2013!
268 Transactions
All payment methods are secure and covered by SeekIC Buyer Protection PLUS.

|
Parameter |
Absolute Maximum1 |
|
Input Power |
+34 dBm +8.5 Volts -40°C to +85°C -65°C to +150°C |
M/A-COM's SW-393 is a GaAs Monolithic SPST terminated switch in a low cost SOIC 8-lead plastic package. The SW-393 is ideally suited for use where low power consumption and high isolation are required. Typical applications include PCS and GSM LO switching, switch matrices and switched filter banks in systems such as radio and cellular equipment.
The SW-393 is fabricated using a mature 1-micron gate length GaAs MESFET process. The process features full chip passivation for increased performance and reliability.